静电放电模拟器-ESD模拟器、带电器件ESD模拟器
静电放电模拟器
静电放电模拟器是电子元器件、组件和系统的敏感度测试或抗扰度测试时,用来模拟“静电源”的必不可少的仪器。IEC等相关标准给出的静电放电模型的核心结构电路只有放电电阻及充电电容,根据电路理论,该电路得到的电流放电波形中没有上升段,即其上升时间为零。另外,静电放电是一个瞬变的过程,涉及GHz的高频成分。因此,在利用集总参数的器件进行模拟器设计时,还要考虑到集总器件的布置、寄生参数以及接地线与放电电阻的几何尺寸、形状等对放电波形等的影响,这就给模拟器的设计和制造增加了一定的难度。以前,模拟器的市场几乎被国外商家所占领。不过,随着国内电子设计技术和制造工艺的发展,国内已经出现了不少静电模拟器的生产厂家,其产品满足相关标准的要求。
根据被模拟“源”的模型不同,静电放电模拟器可分为人体一金属模拟器、人体及家具ESD模拟器、带电器件ESD模拟器等。其内部电路结构一般由高压源、储能电容充放电开关、充放电电阻、放电电极、回路电缆等组成。
(1)人体-金属ESD模拟器
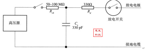
人体-金属ESD模拟器的基本电路如图4-16所示。其中的主要部件有高压源、充电电阻Rch、储能电容Ca、放电电阻Ra、放电开关、放电电极和回路电缆。


(2)人体模型ESD模拟器
人体模型的基本电路结构与人体-金属模型基本一致。不过放电网络的储能电容和等效放电电阻的有所不同,人体ESD模拟器的储能电容 Ca=100 pFF,放电电阻 Ra=1.5kΩ
(3)带电器件ESD模拟器
由于带电器件ESD模拟器的静电源和被测物体是器件本身,因此它与上述两种模拟器在结构上有所不同。图4-17给出了通常采用的带电器件 ESD模拟器的示意图。在测试时,高压电源通过限流电阻给器件充电到某一电位,之后启动高压继电器,使带电器件通过1Ω电阻对地放电。图4-17中的示波器是用来采集放电电流波形的。






